Einen einfachen Transistortester selbst bauen

Sie sind hier: WDF-Startseite

NPN- und PNP-Transistoren auf korrekte Funktion prüfen

Wenn eine elektronische Schaltung nicht funktioniert, so gibt es dafür viele Ursachen. Lötstellen können kalt, Kabel falsch verlötet oder Bauteile defekt sein. Gegen Elektrostatik empfindliche elektronische Bauteile, wie beispielsweise Transistoren, sollten daher beim Bau von Schaltungsprototypen vor dem Einbau mit einem Multimeter auf Funktion geprüft werden. Leider lassen viele moderne Multimeter jedoch keine Prüfung von Transistoren mehr zu. Ein einfaches Selbstbaugerät lässt diesen Mangel aber rasch vergessen.

Um beim Aufbau von Schaltungsprototypen zumindest den Einbau defekter Bauteile zu vermeiden, sollten diese vor dem Verlöten auf Funktion getestet werden. Moderne Multimeter sind leider aus Sicherheitsgründen zumindest im Niederpreissegment nicht mehr mit einer Testfunktion für Transistoren ausgestattet. Steht jedoch ein Multimeter mit dieser Funktion zur Verfügung, so ist ein Transistortest schnell erledigt.

Transistorprüfung per Multimeter

Steht ein Multimeter mit Transistorprüffunktion zur Verfügung, wird der zu prüfende Transistor in die entsprechende Buchse gesteckt. Die Anschlusseingänge sind allerdings leicht zu verwechseln, daher ist hier sorgfältig zu arbeiten. Zu beachten ist zudem, dass eigene Anschlusseingänge für die Beinchen von PNP- und NPN-Transistoren vorhanden sind, die nicht verwechselt werden dürfen, soll die Messung korrekt erfolgen.

Nachdem der zu prüfende Transistor korrekt eingesteckt ist, muss nun lediglich der Drehschalter auf die Stellung ›Transistorprüfung‹ gedreht und einige Sekunden gewartet werden, bis in der Anzeige ein Zahlenwert angezeigt wird. Dieser Zahlenwert steht für den Verstärkungsfaktor ›hFE‹ des Transistors. Leider wird dieser von billigen Multimetern sehr ungenau ermittelt, weshalb das Ergebnis lediglich eine Aussage auf die korrekte Funktion des Transistors zulässt.

Im obigen Beispiel wurde ein NPN BC 547 C-Transistor geprüft. Der Verstärkungsfaktor hFE wurde mit dem Wert 576 ermittelt. Laut Datenblatt haben diese Transistoren einen Verstärkungsfaktor, der zwischen 420 und maximal 800 liegt. Der Transistor funktioniert, doch ist nicht wirklich sicher, ob der ausgewiesene Verstärkungsfaktor tatsächlich in dieser Höhe zutreffend ist. Wer dies exakt ermitteln möchte, muss ein entsprechend hochwertiges Multimeter für die Prüfung nutzen.

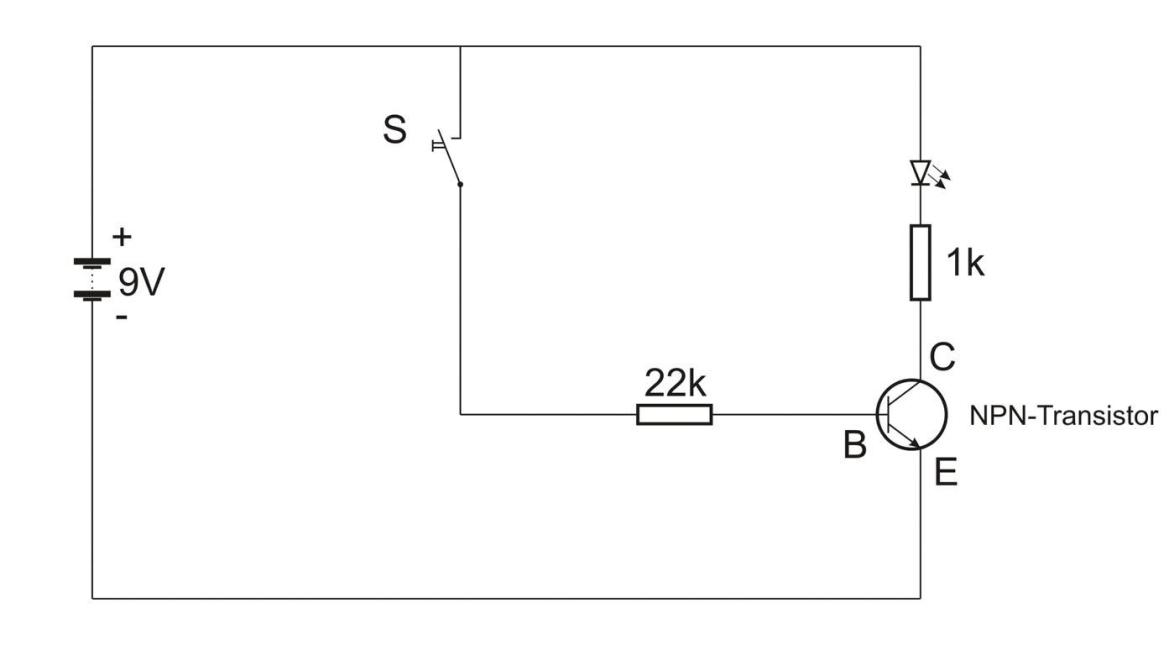
Die preiswerte Alternative

In dieser Schaltung wird die korrekte Funktion eines NPN-Transistors durch eine aufleuchtende LED angezeigt, nachdem der Schalter S betätigt wurde.

Vielfach ist es völlig ausreichend, lediglich die grundsätzliche Funktionalität eines Transistors zu ermitteln. Dies ist kein Grund, gleich zu teurem Equipment zu greifen, welches neben dem Verstärkungsfaktor zusätzlich den Transistortyp und weitere Kenndaten ermittelt. Diesbezüglich erfüllt ein für wenig Geld selbst gebautes Prüfgerät den angestrebten Zweck. Weitergehende Infos, wie etwa die Ermittlung des Transistortyps sind in der Regel unnötig, da es wohl nur wenige Bastler gibt, die Bauteile verwenden, auf denen sich rein gar nichts mehr ablesen lässt.

Wer qualitativ hochwertige Musterschaltungen aufbaut, achtet schon aus Funktionsgründen darauf, neue Elektronikbauteile zu verwenden. Auf deren Gehäuse sind in der Regel alle wichtigen Kenndaten in codierter Form oder im Klartext aufgedruckt, sodass mühelos erkannt werden kann, ob man einen NPN- oder einen PNP-Transistor vor sich liegen hat. Die speziellen Eigenschaften lassen sich dann aus den im Internet zugänglichen Wertetabellen der Hersteller oder der Elektronikhändler entnehmen.

Die Prüfung elektronischer Bauteile kann sich daher auf die Ermittlung deren einwandfreien Funktion begrenzen. Zu diesem Zweck eignen sich minimalistische Schaltungen ohne unnötigen Ballast. Dies ist wichtig, damit so wenig Bauteile wie möglich beteiligt sind, die wiederum selbst defekt werden könnten.

Die Transistor-Typen

Nun gibt es in der Welt der Transistoren aber auch noch PNP-Transistoren und zu allem Überfluss aus beiden Transistorlagern solche, bei denen der Basisanschluss sich nicht in der Mitte des Transistors befindet.

Um auch diese Transistoren auf einfache Weise zu prüfen, muss die vorhin vorgestellte Schaltung leicht abgewandelt werden. Der Grund liegt darin, dass PNP-Transistoren mit umgekehrter Polarität arbeiten. Der Emitter ist daher an den Pluspol der Batterie anzuschließen.

Für die Basisvarianten von NPN- und PNP-Transistoren wären nun die Schaltungen vorhanden, um ein entsprechendes Prüfgerät aufzubauen. Da liegt es nahe, diese Schaltungen zu einer einzigen Schaltung zu vereinen.

Das Ergebnis sieht wie folgt aus:

Für alle Varianten

Wie bereits angedeutet, gibt es für die Transistor-Gruppen NPN und PNP eine Besonderheit: Mancher Hersteller hat für seine Transistoren eine vom Standard abweichende Anschlussbezeichnung gewählt. Bei diesen Transistoren sitzt, vom flachen Gehäuseteil aus betrachtet, der Basisanschluss rechts außen, während der Kollektor in der Mitte zu finden ist. Im obigen Bild ist dies am Transistor BC 636 zu erkennen.

Um nun ohne großen Umstand diese Transistorvarianten testen zu können, genügt es, am späteren Prüfgerät eine eigene Steckmöglichkeit für den zu prüfenden Transistor zu berücksichtigen. Zu beachten ist lediglich, von dort aus die Anschlüsse für Basis, Emitter und Kollektor passend der Schaltung zuzuführen.

Praktisch sieht dies wie nachfolgend gezeigt aus:

Der reale Aufbau auf einem Steckbrett sollte bei einer Musterschaltung stets der erste Schritt sein. Dadurch können nicht nur Fehler im Schaltungsaufbau erkannt werden, sondern sind auch gleich defekte Bauteile aufspürbar, was im eingelöteten Zustand nur mehr schwer möglich ist.

Im nebenstehenden Bild ist die Prüfung eines NPN-Transistors vom Typ BC 547c erkennbar.

Soll nun ein NPN-Transistor vom Typ BC 639 auf Funktionsfähigkeit geprüft werden so genügt es, den BC 547 c-Transitor zu entfernen und an der vorgesehenen Position den BC 639-Transistor einzusetzen. Ein Druck auf den Taster zeigt, ob der Transistor funktionsfähig ist.

Wichtig:

Es ist zu beachten, dass in der Schaltung stets nur ein Transistor eingebaut ist, da es sonst unweigerlich zu Fehlfunktionen der Schaltung kommt. Wer dies verhindern möchte, muss lediglich einen Drehschalter zwischen den beiden Anschlüssen für die Transistoren einbauen. Auf diese Weise können die Transistoren auch eingesteckt bleiben, da durch den Drehschalter sichergestellt wird, dass immer nur ein Transistor geprüft werden kann.


********