Kondensatoren auf ausgefuchste Weise prüfen

Sie sind hier: WDF-Startseite

Eine gute Prüf-Alternative zum teuren Multimeter

Kondensatoren können mit entsprechend ausgestatteten Multimetern sehr leicht geprüft werden. Leider besitzen nicht alle Multimeter die dazu nötige Funktion. Wer sich kein neues Gerät mit entsprechender Funktionalität anschaffen will, kann auch mit einem eigenen Prüfaufbau sehr einfach und preiswert ans Ziel kommen.

Kondensatoren sind wahre Multitalente. Mit ihnen ist es unter anderem möglich, Strom zu speichern und elektromagnetische Störsignale zu unterdrücken. Ihre Kapazität wird in Farad gemessen. Kondensatoren gibt es mit Kapazitäten bis 10.000 Farad. Mit derart speicherstarken Kondensatoren werden unter anderem unterbrechungsfreie Stromversorgungen realisiert.

Als sogenannte ›Green Cap‹ können sie aber auch als Ersatz für Batteriesysteme dienen. Kondensatoren mit einer Kapazität von einem Farad werden gerne auch für die Beleuchtung von Fahrrädern verwendet. Diese speichern den Strom, der während der Fahrt produziert wird und geben diesen im Stand wieder ab. Auf diese Weise leuchtet das Fahrradlicht noch eine ganze Weile, was ein großer Sicherheitsgewinn ist.

Die Kapazität im Blick

Für viele elektronische Schaltungen sind extrem leistungsstarke Kondensatoren weit überdimensioniert. Hier kommen vielmehr Kondensatoren zum Einsatz, deren Kapazität deutlich unter einem Farad liegt. Gebräuchlich sind Kondensatoren mit Kapazitäten im Milli-, Mikro-, Nano- und Picofaradbereich.

Verglichen mit wohlbekannten Dingen aus der Natur ergibt sich folgender Vergleich:

Bauartbedingt halten Kondensatoren nicht ewig. Je hochwertiger ihre Konstruktion, desto länger lassen sich damit bestückte Geräte betreiben. Wer demnach hochwertige Fernseher, Waschmaschinen oder Radiogeräte erwirbt, hat länger Freude daran, als dies bei einem Billiggerät in der Regel der Fall ist. Der Grund liegt darin, dass Billiggeräte nicht den Einbau hochwertiger Kondensatoren zulassen. Doch egal ob billig oder teuer, im Laufe der Jahre wird jeder Kondensator zwangsläufig ausfallen.

Dies erkennt man im Fall von Elektrolytkondensatoren unter anderem an einem aufgeplatzten Gehäuse. In diesem Fall ist der Schaden rasch gefunden und kann behoben werden. Doch auch beim Aufbau einer Schaltung kann es passieren, dass ein Kondensator bereits vor dem Einbau defekt ist.

Wer vermeiden will, stundenlang nach einem Fehler zu suchen, der sich in einem äußerlich unbeschädigten Kondensator verbirgt, sollte die zum Einbau vorgesehenen Exemplare zunächst auf korrekte Funktion testen.

Dies kann am einfachsten mit einem entsprechend ausgestatteten Multimeter geschehen.

Mit solchen Multimetern ist es problemlos möglich, nicht nur die Funktionsfähigkeit, sondern auch gleich die tatsächliche Kapazität eines Kondensators zu ermitteln. Im obigen Beispiel wurde ermittelt, dass ein mit 1000 µF ausgewiesener Kondensator über eine Kapazität von 1030 µF verfügt.

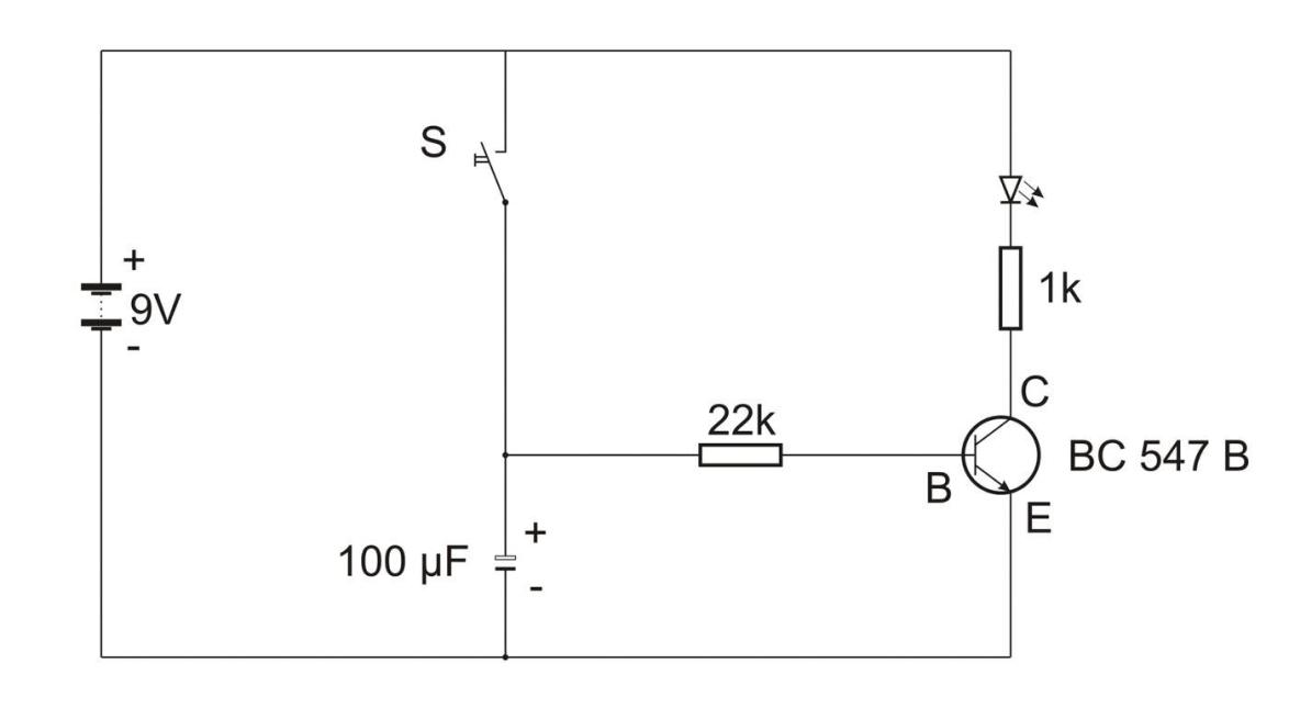
Doch muss man nicht unbedingt auf teure Messtechnik zurückgreifen, da es oft genügt, lediglich die Funktion des Kondensators zu testen. Solche Prüfvorrichtung sind sehr einfach selbst aufzubauen. Im Fall von Kondensatoren im Mikrofaradbereich ist folgende Schaltung dazu geeignet:

Obige Schaltung ist eine sogenannte Nachlaufsteuerung. Diese funktioniert wie folgt: Wird Schalter S kurz betätigt, so lädt sich der Kondensator auf und gibt den gespeicherten Strom nach Loslassen des Schalters wieder ab. Je größer die Kapazität des Kondensators ist, desto länger wird die LED brennen, bis sie verlischt.

Prüfung unterschiedlich großer Kondensatoren

  • Kleiner Kondensator=kurze Leuchtdauer der LED
  • Großer Kondensator=längere Leuchtdauer der LED

Hinweis:

Je mehr Kondensatoren aufgeladen sind, desto mehr Widerstand setzen sie dem Elektronenstrom entgegen. Aus diesem Grund gibt es keinen Kurzschluss, wenn der Kondensator voll ist und die Elektronen sich unter Umgehung des Transistors auf den kürzesten Weg in Richtung der anderen Batterieseite machen möchten.

Der gute Weg zum zuverlässigen Prüfwerkzeug

Folgende Werte zeigen, welche Leuchtdauer unterschiedlich große Kondensatoren bewirken:

Kapazität

Leuchtdauer

10 µF

1,5 Sekunden

100 µF

15 Sekunden

1000 µF

150 Sekunden

Es zeigt sich hier sehr schön die Wirkung einer größeren Kondensatorkapazität. Zudem ist es auf diese Weise sehr leicht möglich, einen fabrikneuen Kondensator auf korrekte Funktion zu testen. Voraussetzung ist allerdings, seine Speicherkapazität ist groß genug, um eine sichtbare Ausschaltverzögerung zu bewirken. Dies ist jedoch bereits bei einem Kondensator mit nur einem Mikrofarad mit dem freien Auge nicht mehr sicher beurteilbar, da hier die Verlöschungszeit der LED rechnerisch bei nur mehr 0,15 Sekunden liegt.

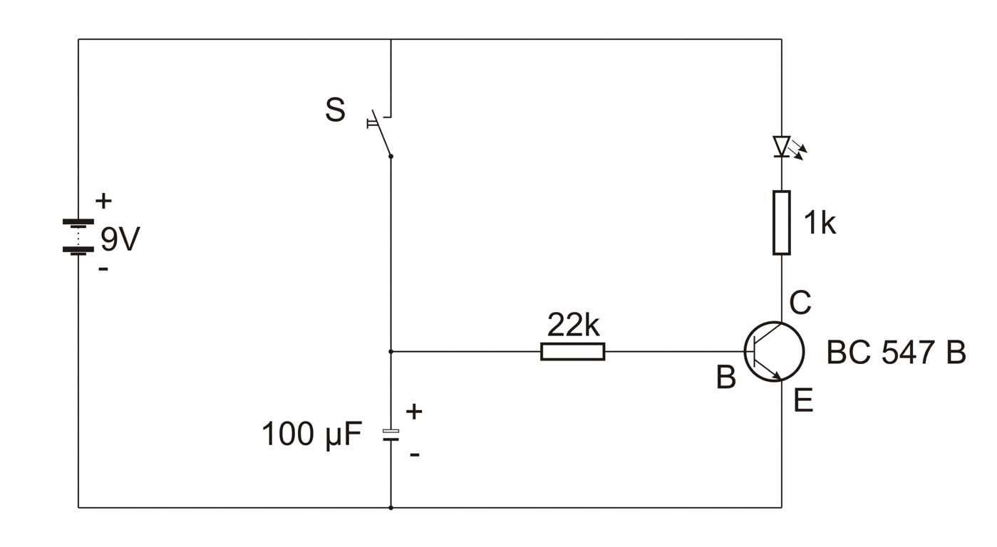
In diesem Fall ist die Schaltung zu modifizieren, um auch bei Kondensatoren mit geringer Kapazität einen sichtbaren Verlöschungseffekt zu bekommen. Zum Einsatz kommt eine sogenannte Darlington-Schaltung, die mit zwei Transistoren eine Verstärkung um den Faktor 90.000 ermöglicht, wenn beide Transistoren je eine Verstärkung um den Faktor 300 erlauben.

Mit obigem Aufbau benötigt ein Kondensator mit einer Kapazität von einem Mikrofarad rund 17 Sekunden, bis die LED verlöscht. Dabei ist es übrigens egal, ob ein Elektrolytkondensator oder ein Keramikkondensator geprüft wird, da die Polarität hier keine Rolle spielt.

Diese Schaltung ist so empfindlich, dass selbst sehr kleine Kondensatoren mit einer Kapazität von beispielsweise 100 Nanofarad einen sichtbaren Verlöschungseffekt erzeugen. Bei einem Kondensator dieser Größe benötigt die LED bis zum vollständigen Erlöschen rund vier Sekunden.

Für winzigste Kapazitäten

Werden nun Kondensatoren verwendet, deren Kapazität im noch geringeren Nanofarad- oder gar Picofaradbereich liegt, so ist die aufgenommene Strommenge viel zu gering, um mit der oben vorgestellten Darlington-Schaltung eine sichtbare Verzögerung der LED-Verlöschung darzustellen. Hier muss ein weiterer Transistor für noch mehr Verstärkung der schwachen Signale sorgen.

Die entsprechende Schaltung sieht wie folgt aus:

Diese Schaltung bietet eine Verstärkung um den Faktor 27.000.000! Damit ist es möglich, Kondensatoren mit Kapazitäten zu prüfen, die sich lediglich im Picobereich befinden. Ein Kondensator von beispielsweise 180 pF ist damit problemlos überprüfbar. Hier brennt nach dem Loslassen von Schalter S die LED 2 noch rund drei Sekunden, ehe sie verlischt.

Diese Schaltung reicht wohl für die meisten Zwecke völlig aus. Sollen Kondensatoren mit noch geringerer Kapazität gemessen werden, so muss ein weiterer Transistor nach obigem Schema eingebaut werden. Alternativ ist zu prüfen, ob statt der BC 547B-Transistoren alternative Modelle mit einem höheren Verstärkungsfaktor verwendet werden können.

Beispielsweise besitzt das Modell BC 547 C laut Datenblatt eine Stromverstärkung vom Faktor 600. In die obige Schaltung eingesetzt, würde sich eine Gesamtverstärkung von 216.000.000 ergeben. Eine deutliche Steigerung zum B-Modell und womöglich ausreichend, um Kondensatoren mit noch deutlich kleinerer Kapazität zu prüfen.

Doch nun zum Ausbau der Schaltung, um noch kleinere Kapazitäten prüfen zu können. Es wird ein weiterer Transistor hinzugefügt, der die Empfindlichkeit der Schaltung weiter steigert.

Die dreifache Darlington-Schaltung:

Wird nun diese Schaltung testweise mit einem 180 pF-Kondensator bestückt, so kann festgestellt werden, dass dieser Kondensator die LED 3 über zwei Minuten brennen lässt. Ein sicherer Hinweis darauf, dass die Schaltung wesentlich empfindlicher ist, als diejenige mit nur drei Transistoren.

Wird anstelle des 180 pF-Kondensators ein Kondensator mit nur 1 pF eingesetzt, so brennt LED 3 noch deutlich über zwei Minuten. Damit ist diese Schaltung völlig ausreichend dimensioniert, um den größten Teil aller in der Elektronikpraxis vorkommenden Kondensatoren auf Funktion zu testen.

  • Prüfschaltung mit 180 pF-Kondensator
  • Prüfschaltung mit 1 pF-Kondensator

********