Knacknuss: Einen 3D-Ring mit Innenbohrungen versehen

Sie sind hier: WDF-Startseite

Eine besondere Konstruktionsaufgabe mit BeckerCAD 3D Pro lösen 

Das Konstruieren mit einem 3D-CAD-System geht in der Regel zügig vonstatten. Doch gibt es ab und an Aufgaben, die unüberwindbar scheinen. So ist etwa die Aufgabe, Bohrungen an der Innenseite eines Rings einzubringen, eine Knacknuss. Mithilfe einer Kugel ist dieses Problem jedoch rasch gelöst, da Kugeln mit 3D-Achsen versehen sind, die für diese Aufgabe benötigt werden.

BeckerCAD 3D Pro ist ein sehr leistungsstarkes CAD-System, das sich auch zum Konstruieren kniffliger Projekte eignet. Seine ganze Leistungsstärke kommt jedoch erst dann zum Tragen, wenn Konstrukteure konsequent den Schritt weg von 2D hin zu 3D vollziehen, da in der 3D-Welt sich so manche Konstruktionsaufgabe wesentlich einfacher umsetzen lässt, als dies in der 2D-Welt möglich wäre.

Ein diesbezüglich gutes Beispiel ist das Einbringen von Bohrungen an der Innenseite eines Rings. Diese Aufgabe ist zwar trivial, doch ist die Lösung nicht so einfach zu finden, wenn man mit den 3D-Werkzeugen und deren Handhabung noch nicht vollumfänglich vertraut ist. Daher soll diese Aufgabe Schritt für Schritt umgesetzt werden, um den großen Nutzen von 3D-CAD-Systemen vor Augen zu führen.

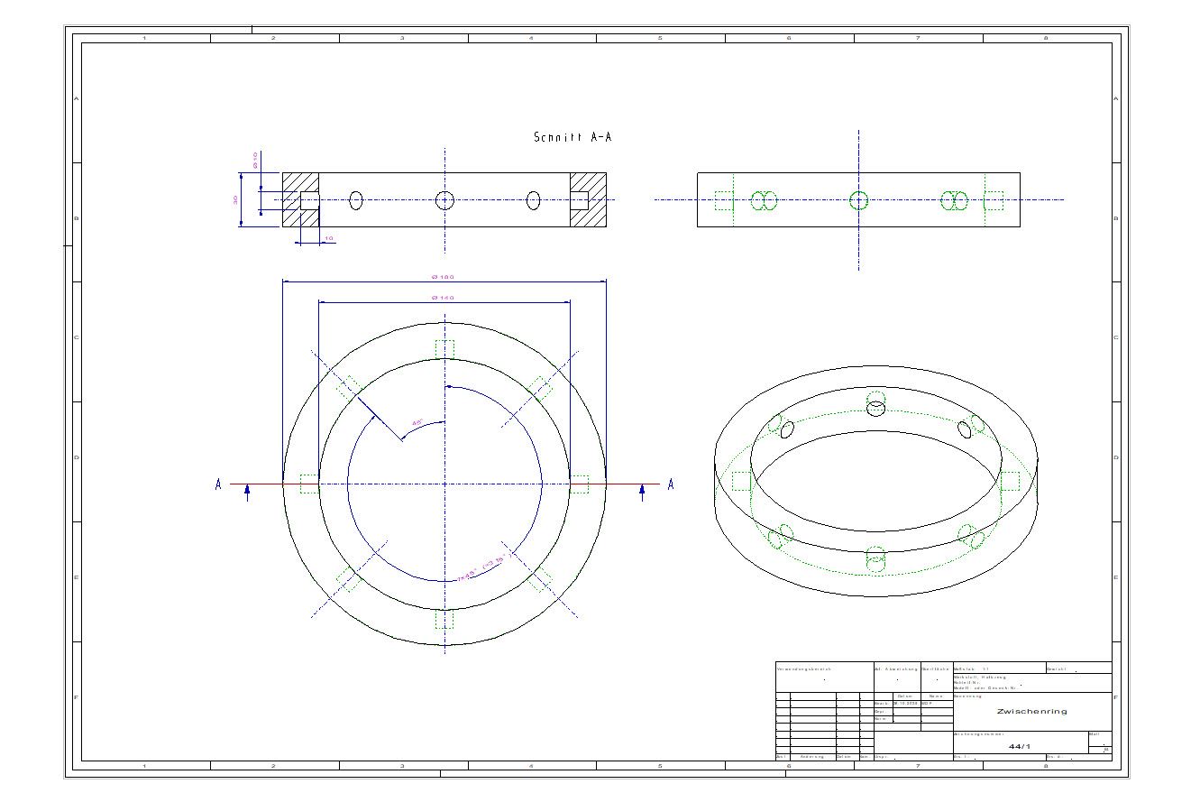
1. Konstruktion eines Rings

In BeckerCAD 3D Pro werden Ringe mittels der Funktion „Zylinder/Kegel“ erzeugt, da diese Funktion es erlaubt, eine Wandstärke anzugeben, wodurch automatisch entsprechende Hohlkörper entstehen. In diesem Beispiel soll ein Ring mit einem Durchmesser von 180 Millimeter, einer Höhe von 30 Millimeter und einer Wandstärke von 20 Millimeter erstellt werden.

Da bei der Konstruktion eines Rings in der Regel der Außendurchmesser angegeben wird, muss die Wandstärke als negativer Wert angegeben werden, damit BeckerCAD den Ring vom Außendurchmesser aus nach Innen aufbaut!

2. Konstruktionsebene an oberer Stirnseite des Rings erzeugen

Im zweiten Schritt wird eine Konstruktionseben an der oberen Stirnseite des Rings erzeugt. Diese wird anschließend um 15 Millimeter nach unten verschoben, da in dieser Ebene die Bohrungen eingebracht werden müssen.

3. Kugel D40 in Ringmitte erzeugen

Nun wird in der Ringmitte eine Kugel erzeugt. Der Grund ist, dass eine Kugel stets zusammen mit 3D-Achsen erzeugt wird, die von der Kugelmitte ausgehen und durch die Quadrantpunkte der Kugel gehen. Dadurch ist die Kugel ideal geeignet, um als Hilfswerkzeug für knifflige Konstruktionsaufgaben zu fungieren.

4. Konstruktionsebene an Kugel erzeugen

Konstruktionsebenen sind Voraussetzung, um Festkörper an der gewünschten Stelle zu erzeugen oder Hilfslinien einzuzeichnen. Da es in der aktuellen Konstruktionsaufgabe darum geht, Bohrungen in Höhe des Kugelmittelpunkts an der Innenseite eines Rings einzubringen, wird die neue Konstruktionsebene über eine Achse erzeugt, die durch die Kugel geht.

5. Zylinder erzeugen

Nun kann ein Zylinder mit einem Durchmesser von 10 Millimeter erzeugt werden, dessen Mittelpunkt sich am Schnittpunkt zwischen 3D-Achse und Kugel befindet. Die Länge des Zylinders soll 60 Millimeter betragen, was dazu führt, dass die spätere Bohrung 10 Millimeter tief im Ring liegen wird.

6. Zylinder kreisförmig duplizieren

Sollen in einem gleichmäßigen Abstand von 45 Grad sieben weitere Zylinder erzeugt werden, so ist dazu die Funktion „Multiplizieren mit Kreisteilung“ zu verwenden. Zudem muss unbedingt auf die waagrechte Konstruktionsebene gewechselt werden!

Wichtig ist bei dieser Funktion, dass der Startpunkt, der Öffnungswinkel sowie die Anzahl der Kopien korrekt angegeben werden!

7. Zylinder vom Hauptkörper „abziehen“

Die gewünschten Bohrungen im Ring ergeben sich, indem mittels der booleschen Funktion „Subtraktion“ die Zylinder vom Ring „abgezogen“ werden.

Damit ist die Aufgabe gelöst und die 3D-Kontur kann dazu verwendet werden, 2D-Ansichten abzuleiten, was über „Einfügen/Modellansicht/3 Standard-Ans+Persp. [DIN] geschieht.

Video "Knacknuss: Einen 3D-Ring mit Innenbohrungen versehen"


********